动态公告

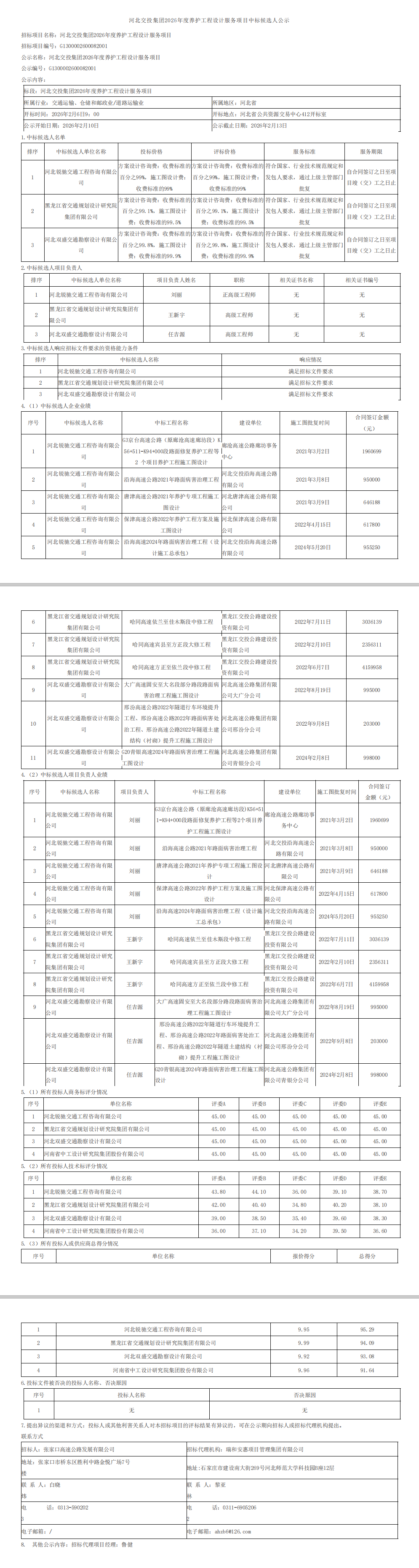
河北交投集团2026年度养护工程设计服务项目中标候选人公示

作 者:        来 源:工程养护部        2026年02月10日

image.png

( 阅读: 人)